?
服務熱線
400-777-2203
關(guān)于外墻變形縫引起的滲漏,如何預防和處理
防止隧道滲漏水七大措施
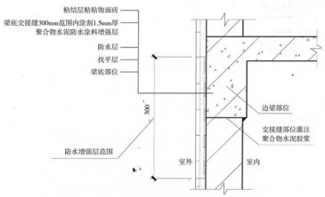
如何預防和處理外墻梁墻交接縫滲漏
如何預防和處理穿墻管周邊滲漏
如何預防和處理腳手架殘留件、臨時施工孔洞及預埋件未作防水密封處理引起滲漏
電話:400-777-2203/0771-3861501
傳真:0760-88706350
郵箱:qinglong@qinglong.com.cn
地址:廣西南寧市鵬飛路江川圣境6棟18層